English|新浪微博| 腾讯微博| 站点地图

欢迎来到金年会电机制造有限公司!

深圳金年会电机

20年微电机开发制造商从0到N全程陪同选配开发生产

13925291282 销售工程师(微信同号):86-13925291282 红蜥空心杯销售工程师:86-18124006940

热门关键词: 机器人电机复印机电机照相机电机剃须刀电机玩具电机

您当前所在的位置:首页 > 公司新闻
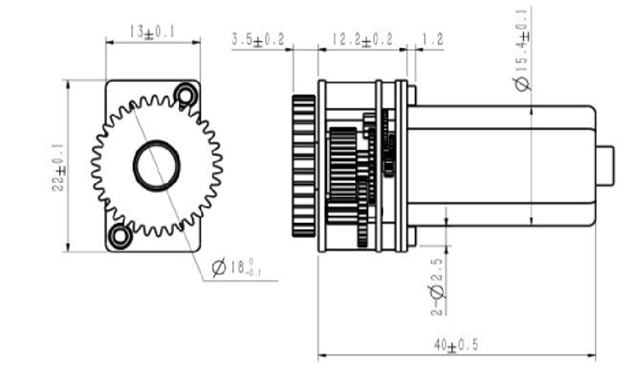
电动轮椅电机定制开发

电动轮椅电机定制开发

电动轮椅电机分为有刷电机和无刷电机两种,有刷电机工作时,线圈和换向器旋转,磁钢和碳刷不转,线圈电流方向的交替变化是随电机转动的换相器和电刷来完成的。而无刷电机由电机主...

了解更多 >
呼吸面罩无刷电机定制开发

呼吸面罩无刷电机定制开发

金年会电机专门研发了呼吸面罩用无刷电机,我们采用的是2410的无刷电机,即24*10mm的外形尺寸,因为厚度太薄,所以这款外转子无刷电机并未配用驱动器,而是使用另外一种控制方式与...

了解更多 >
智能防疫机器人电机技术参数

智能防疫机器人电机技术参数

智能防疫机器人电机是一种具备传动减速齿轮箱设备,主要传动结构由空心杯电机、齿轮箱(减速器)组装而成的减速电机,为了适应不同设备的需求,通常采用定制技术参数开发而成,例...

了解更多 >
消毒机器人电机技术参数

消毒机器人电机技术参数

消毒机器人电机是一种具备传动减速齿轮箱设备,主要传动结构由空心杯电机、齿轮箱(减速器)组装而成的减速电机,为了适应不同设备的需求,通常采用定制技术参数开发而成,例如输...

了解更多 >
车载空气净化器无刷电机

车载空气净化器无刷电机

与家庭用空气净化器需要净化的大空间不同,车载空气净化器只需要净化车内约6立方米空间的空气,所以便携、即插即用、小巧将成为它最吸引客户的特点,同时因为在封闭空间里使用,对...

了解更多 >
微型减速电机厂家哪家好

微型减速电机厂家哪家好

微型减速电机是一种使用非常广泛的减速电机。有哪家减速电机厂家生产比较好呢?深圳市金年会电机制造有限公司创建2001年,是一家研发、生产微型直流电机的制造型企业。拥有一支技...

了解更多 >
低速大扭矩电机的应用

低速大扭矩电机的应用

低速大扭矩电机是一种带有减速功能的传动设备,也称为减速电机,主要传动结构由驱动电机(马达)、齿轮减速器、行星减速器组装而成。驱动电机可采用空心杯电机、步进电机、伺服电...

了解更多 >
AGV小车无刷电机解决方案

AGV小车无刷电机解决方案

至达电机专门针对此客户提供了定制性的AGV小车直流无刷电机和减速器及驱动器,经过户对产品性能的测试,满足客户的性能要求。而且金年会AGV小车电机的性能优于进口日本和韩国的电...

了解更多 >
剃须刀上的电机为什么用偏心轴

剃须刀上的电机为什么用偏心轴

电剃刀结构一般是:机身下部设有电池仓,电池仓外有机身下套,机身的上部内有一电机座,电机座内有一带偏心轴的电机,电机偏心轴上有一动刀刃摆动杆,其两侧的上端端部还与电机座...

了解更多 >
步进电机与伺服电机的区别

步进电机与伺服电机的区别

许多人对步进电机和伺服电机的区别不是很了解,所以在电机选型的时候经常会左右为难,今天金年会电机就给大家讲讲步进电机与伺服电机的不同之处,希望能为大家在选择合适的电机的...

了解更多 >
直流无刷电机的制动方式

直流无刷电机的制动方式

通常利用电机自身进行快速制动有两种简单的办法,一种是能耗制动,一种是短接制动,能耗制动是把电机的动能消耗在外部制动电阻上,短接制动是把电机的动能消耗在电机的定子绕组上...

了解更多 >
如何挑选一款好的原汁机电机

如何挑选一款好的原汁机电机

经过多年对榨取技术的深入研究,市场上推出了一款新型果汁榨取机器——原汁机。舍弃传统所追求的“高速”,将“慢速研磨”技术应用到原汁机上,依靠电机带动螺旋推进器旋转,对食...

了解更多 >
荧光免疫定量分析仪电机定制开发

荧光免疫定量分析仪电机定制开发

荧光免疫定量分析仪电机是一种运用在医疗设备上的微型传动电机齿轮箱,主要传动结构由驱动电机(微型马达)、齿轮箱(减速器)组装而成的减速电机,驱动电机可采用直流有刷电机、...

了解更多 >
减速电机发热原因和降温方法

减速电机发热原因和降温方法

为了达到转速和扭矩的要求,减速电机应运而生,减速电机是一种运用非常广泛的减速传动设备,在智能家居、电子产品、机器人、物流设备、工业自动化、汽车传动广泛运用,在使用减速...

了解更多 >
大脚车用无刷电机的优势

大脚车用无刷电机的优势

电机,目前 RC 的主要动力选择,特点是爆发力足(注意一个误区,大家往往认为内燃机会动力澎湃,实际上电机的动力输出会更厉害),寿命长久,干净安静。缺点是对电池依赖较大,需...

了解更多 >
鼻毛修剪器电机用哪种好?

鼻毛修剪器电机用哪种好?

鼻毛修剪器原理其实很简单,就是一个微型电机带动刀头旋转,从而切断鼻毛。我们知道,常见的家用修剪设备功率往往对其使用效果有很大的影响,鼻毛修剪器自然也不例外,鼻毛修剪器...

了解更多 >
航空航天用微型无刷电机的性能要求

航空航天用微型无刷电机的性能要求

微型无刷电机在航天航空领域的应用就如同汽车一样非常的广泛,例如,飞行器上使用各种类型的阀门和执行器来执行各种关键功能,从调节燃料流向发动机到控制进入飞行器环境控制系统...

了解更多 >
微型振动电机的振动原理

微型振动电机的振动原理

微型振动电机在我们的生活中应用非常广泛,比如硅胶洁面仪、按摩器、成人用品、电动牙刷、手机等等产品都能见到微型振动电机的身影,可以好不夸张的讲,只要是需要振动效果的电子...

了解更多 >
微型直流电机在机器人舵机的应用

微型直流电机在机器人舵机的应用

舵机是机器人产品中非常重要的部件,它是由微型电机与齿轮组及传感器等部件组成,在机器人应用中,舵机是连接各机构的连接器,就像我们人类的关节一样,通过微型电机的驱动可实现...

了解更多 >
超声波电机在医疗设备上的应用

超声波电机在医疗设备上的应用

医疗设备制造商越来越多地选用超声波电机和致动器代替传统的电磁电机,因为超声波电机在医疗设备设计中具有先天性优势。

了解更多 >
记录总数:220 | 页数:11 首页 上一页 1 2 3 4 5 6 7 8 9 10 ...> 下一页 尾页

联系我们contact us

深圳市金年会电机制造有限公司

  • 0755-29886108
  • 红蜥空心杯销售工程师:86-18124006940
  • 0755-29886508
  • 销售工程师(微信同号):86-13925291282
  • wzd@wanzhida.cn
  • 深圳光明新区公明镇马山头第四工业区110栋
金年会 关注我们,了解更多!
深圳金年会主要生产无刷电机空心杯电机 粤ICP备11061978号   

粤公网安备 44031102000084号

点击这里给我发消息