English|新浪微博| 腾讯微博| 站点地图

欢迎来到金年会电机制造有限公司!

深圳金年会电机

20年微电机开发制造商从0到N全程陪同选配开发生产

13925291282 销售工程师(微信同号):86-13925291282 红蜥空心杯销售工程师:86-18124006940

热门关键词: 电动牙刷电机航模电机打印机电机电动窗帘电机智能门锁电机

您的位置:首页OT-42LGP行星齿轮箱

OT-42LGP行星齿轮箱

  • OT-42LGP行星齿轮箱

OT-42LGP行星齿轮箱

金年会OT-42LGP行星齿轮箱特征描述: 1.与永磁电机组合,提供高扭矩,低转速输出特性; 2.共20种标准行星齿轮箱,外径8mm~42mm,其它需求可根据客户要求定制; 3.可满足高速、高温、重载荷、密封等特殊特性的产品方案; 4.四级减速比最高可达1575:1,实现高效率的能量传递; 5.齿轮背隙小,传递精度高; 6.噪音小,可满足低噪音需求。
13925291282 立即咨询

生产的电机产品与正齿齿轮箱、行星齿轮箱、编码器、刹车器、控制器之间能够形成许多的组合方案。

您可以将产品需求提供给我们市场销售人员,我们将为您挑选或设计最适宜的组合方案。

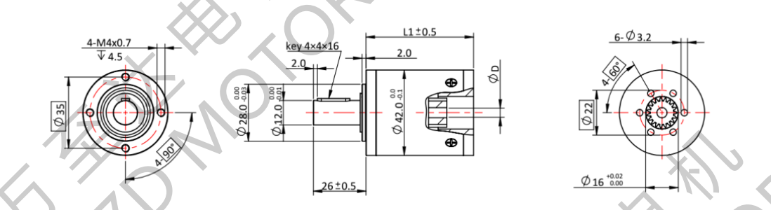
产品结构structure

OT-42LGP行星齿轮箱-齿轮箱-金年会电机


金年会OT-42LGP行星齿轮箱特征描述:

1.与永磁电机组合,提供高扭矩,低转速输出特性;

2.共20种标准行星齿轮箱,外径8mm~42mm,其它需求可根据客户要求定制;

3.可满足高速、高温、重载荷、密封等特殊特性的产品方案;

4.四级减速比最高可达1575:1,实现高效率的能量传递;

5.齿轮背隙小,传递精度高;

6.噪音小,可满足低噪音需求。

产品参数parameter仅做参考,不做实际依据,具体参数请联系选型工程师确认

OT-42LGP行星齿轮箱-齿轮箱-金年会电机


金年会电机针对不同客户需求,将系列化产品通过改变输出端零件结构、内部工艺参数、电气连接等因素(例如:异性轴、高速轴承、法兰螺纹连接、特殊电缆等等),能够为您带来极大的便利,更加可靠、高效地将您需要的产品及时送达。

产品应用application

OT-08MGP行星齿轮箱-齿轮箱-金年会电机

医疗

齿轮箱应用于牙科综合治疗仪、胰岛素注射泵、医用注射泵、假肢、组织粉碎器、轮椅、磨骨

OT-08MGP行星齿轮箱-齿轮箱-金年会电机

美容护理

齿轮箱应用于纹身机、纹眉机、磨甲机

行星齿轮箱-齿轮箱-金年会电机

汽车

齿轮箱应用于车窗自动系统、空调系统、驾驶辅助系统、座椅调节

行星齿轮箱-齿轮箱-金年会电机

电动工具

齿轮箱应用于电动打磨机、电动钻孔、电动螺丝刀、自动切割机

行星齿轮箱-齿轮箱-金年会电机

电动模型

齿轮箱应用于电动打磨机、电动钻孔、电动螺丝刀、自动切割机

产品手册PDF下载专区download

微电机热门推荐

联系我们contact us

深圳市金年会电机制造有限公司

  • 0755-29886108
  • 红蜥空心杯销售工程师:86-18124006940
  • 0755-29886508
  • 销售工程师(微信同号):86-13925291282
  • wzd@wanzhida.cn
  • 深圳光明新区公明镇马山头第四工业区110栋
金年会 关注我们,了解更多!
深圳金年会主要生产无刷电机空心杯电机 粤ICP备11061978号   

粤公网安备 44031102000084号

点击这里给我发消息